产品名称:国标升降式法兰止回阀

执行标准

设计依据GBAPI
设计标准GB/T 12235BS1868
结构长度GB/T 12221ASMEB16.10
连接法兰JB/T 79-94ASMEB16.5
试验和检验JB/T9092AP11598


性能规范

部件零件名称
阀体 阀瓣双头螺柱六角螺母垫片阀盖
GbWcb Wc1
Wc6 Wc9
C5 Cf8
Cf8m Cf3
Cf8c Cf3
Cf3m
35crmoa 25cr2moa
0cr18ni9
0cr17ni12mo2
45
35crmoa
25cr2moa
0cr18ni9
0gr17ni12mo2
柔性石墨 +不锈钢25
1cr18ni9ti
0cr18ni12mo2ti
20cr1mo1v
25cr2mov
AstmWcb Wc1
Wc6 Wc9
C5 Cf8
Cf8mCf3
Cf8c Cf3
Cf3m
A193-b7
A320-b6
A198-b8m
A194-2h
A194-8
A198-b8m
柔性石墨 +不锈钢A1405 F11
F22 F5 F9
F304 F316
F321
F304lf316l



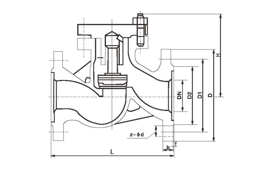
外形尺寸

PNDNLDD1D2bZ-φdH
1.6Mpa15130956545144-1477
201501057555144-1477
251601158565144-1480
3218013510078164-1885
4020014511085164-1895
50230160125100164-18105
65290180145120184-18120
80310195160135208-18130
100350215180155208-18140
125400245210185228-18155
150480280240210248-23180
2006003352952652612-23215
2507304053553203012-25260
3008504604103753412-25315


上一个产品:

下一个产品:国标法兰立式止回阀/底阀